After repairing my Tektronix SC 502 oscilloscope module (see this blog post: SC-502), I noticed I also had an SC 504 oscilloscope module squirreled away in a dark corner of a closet shelf.
I had just finished with the '502 and I was still familiar with the disassembly/assembly procedure. Why not tackle the '504?
So I plugged it into my TM503 chassis and powered it up. The Power LED came on, but nothing else.
OK, so it's broken. I knew it was.
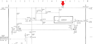
The first thing I noticed after removing the covers was that one (of three) fuses on the A3 Trigger board was missing. This was fuse F3488, a 0.3A slow-blow fuse that is in-line with 33.5VDC to the High Voltage power supply.
I installed a new fuse and reapplied power: F3488 blew.
OK -- something is making the fuse blow. Per the SC 504 Manual, F3488 protects transistor Q1380, which is part of the High Voltage supply's voltage regulator.
Poking around Q1380, Q1381, and Q1378, it was clear that the base-emitter and base-collector junctions of Q1380 no longer exhibited a (roughly) 0.7 volt drop, but were instead shorted and that this transistor would need to be replaced.
Digikey had the required D44H11 transistor, I ordered a few, they arrived, and I installed one.
The fuse still blew!
If fuse F3488 is blown, I would recommend a much simpler test than I
describe below in this post (which details my steps to discover
what the problem was).
First, check Q1380 and replace it if it is no good. And install a
good fuse in F3488.
Then, before powering up the scope, disconnect the wire from
T1475 pin 8 (to the HV Multiplier module) and check if the power-supply
now comes up when you turn on the AC power. If the
HV Multiplier module (Tek p/n 152-0634-00) is the problem
(as it was in my unit), the power supply should now start working
(without F3488 blowing) and you should measure 70 volts DC on the 70
volt power line.
As I increased the voltage at T1475.6 to about 0.6V, the regulator circuit started oscillating, but with a very loud audible squeal. This oscillation stopped when the voltage went beyond about 1.07V, at which point Q1380 seemed to go into saturation.
OK, the HV supply's oscillator can be forced to oscillate, but when this occurs the +70V supply derived from this circuit only goes to up to about +30V, and there is that annoyingly loud squealing.
The squealing probably meant that an abnormal amount of current was flowing through the transformer's windings, causing its windings to vibrate and create an audible squeal.
Was the transformer overloaded? What would happen if I disconnected T1475.8 from the High Voltage (HV) Multiplier module's input.
The squealing stopped!
Hmmm...maybe the HV Multiplier's load is the issue. What happens if I leave the HV Multiplier connected to T1475.8, but now disconnect the multiplier's output from the CRT's anode?
The squeal is back!
So, the problem would seem to be the HV Multiplier itself.
Tektronix HV Multiplier, P/N 152-0634-00
I found a replacement HV Multiplier on eBay and purchased it. When it arrived, I installed it, re-assembled the module, and then powered up the scope...
Success! A trace!
OK -- that problem was fixed -- what else was wrong?
Channel 2's Vertical Gain knob shaft was broken and the knob spun freely. This is an integrated knob/shaft combo (Tek P/N 366-1733-01), which I've highlighted in yellow, below:
Unfortunately, this part is difficult to find. So, until I can find a replacement, I will be using the scope as a single-channel instrument (which was my cunning plan, anyway).
(By the way -- omniscient Google informs me that this Tek knob has an NSN number: 5355-01-186-1111.)
Another problem I had was that the focus shaft had had its tip broken off (to which a now-missing Focus knob attached), thus making the shaft too short.
I had a long length of 1/8" diameter clear plastic rod (available from Tap Plastics) and a spare 1/8" coupler. So I clipped off a short piece of rod and used my extra coupler to extend the shaft:
(I also dug through my junkbox and found "good enough" replacement knobs for the missing Focus and the broken Intensity knobs).
Finally -- the Time Base knob's skirt had detached from the knob. Superglue fixed this.
That's it! Here's the SC 504 on the bench for testing with my FPGA SDR and ATU...
Resources:
Instruction Manual PDFs (which include schematics) can be downloaded here:
http://w140.com/tek_sc504.pdf
http://bama.edebris.com/manuals/tek/sc504/
Standard Caveat:
I might have made a mistake in my designs, equations, schematics, models, etc. If anything looks confusing or wrong to you, please feel free to comment below or send me an email.
Also, I will note:
This information is distributed in the hope that it will be useful, but WITHOUT ANY WARRANTY; without even the implied warranty of MERCHANTABILITY or FITNESS FOR A PARTICULAR PURPOSE.








